Среднеамурский осадочный бассейн

Материал из GeologyScience Wiki
Перейти к:навигация, поиск

Средне-Амурский осадочный бассейн (СОБ) – часть Саньцзян-Средне-Амурского бассейна и простирается в северо-восточном направлении вдоль среднего течения р. Амур при длине 600 и ширине 50–250 км. Северо-восточная его часть находится в России, а юго-западная – в КНР (рис. 6.23). В России (Хабаровском крае и Еврейской автономной области) площадь бассейна 60 тыс. км2, и далее описана преимущественно эта часть СОБ.

Тектоническая позиция и главные структурные элементы

Средне-Амурский осадочный бассейн располагается на стыке Цзямусы–Буреинского террейна (с его окраинными палеозойскими и мезозойскими прогибами) и Сихотэ-Алинской–Наданьхада аккреционной складчатой системы (см. рис. 6.23), в которую с юга вклинивается Ханкайский террейн. Граница между Урмийским прогибом Буреинского террейна и Сихотэ-Алинской системой проходит по Куканскому сдвигу (Геологическая карта..., 1991). Такое положение предопределило различие типов меловых разрезов, формировавшихся в разных частях СОБ.

Рис. 6.23. Тектоническая позиция и главные структуры Саньцзян-Средне-Амурского бассейна.

1 – Буреинский блок; 2 – Сихотэ-Алинский орогенный пояс и террейн Наданьхада (Н); 3 – границы зон: 1 – Бирско-Белоянской, 2 – Горинской, 3 – Западно-Сихотэ-Алинской; 4 – границы бассейна; 5 – поднятия; 6 – контуры погребенного поднятия Фуцзинь; 7 – изопахиты осадочного чехла; 8 – основные разломы; 9 – приблизительное направление линии профиля, показанного на рис. 6.26; 10 – скважины

В современном виде СОБ представляет собой систему грабенов и горстов. Структурами первого порядка являются система грабенов Бирофельдский, Кур-Урмийский и Переяславский и серия поднятий, среди которых наиболее крупные – Ульдура-Чуркинское, Вандан-Горбылякское и Хехцирское (Варнавский, 1971).

До сих пор нет устоявшегося мнения о возрасте складчатого фундамента в восточной части СОБ. Б.А. Натальин и С.Г. Черныш (1992) основательно рассмотрели этот вопрос и пришли к выводу, что весь нижнемеловой комплекс относится к фундаменту. Но они, видимо, не располагали окончательными данными о стратиграфической последовательности и условиях седиментации толщ, вскрытых глубокими скважинами в Переяславском грабене. К тому же не было принято во внимание структурное районирование меловых отложений, предложенное на IV межведомственном стратиграфическом совещании (Решения..., 1994), где западная часть СОБ была отнесена к Бирско-Белоянской зоне, сложенной континентальными меловыми толщами, центральная – к Горинской зоне (преимущественно с морским типом разреза), а восточная – к Западно-Сихотэ-Алинской зоне с вулканогенно-осадочным прибрежно-морским, переходным к континентальному, типом разреза. Бирско-Белоянская зона относится к окраине Буреинского террейна, Горинская и Западно-Сихотэ-Алинская – к Сихотэ-Алинскому орогенному поясу. Границы между зонами условные, особенно в СОБ, поскольку они перекрыты мощным чехлом кайнозойских образований.

Строение и состав фундамента

Фундамент СОБ гетерогенный. В западной, незначительной по площади, части развиты краевые структуры Буреинского террейна различного состава и возраста. Наиболее древний, верхнеархейский, структурно-вещественный комплекс представлен гнейсами и кристаллическими сланцами амурской и тастахской серий мощностью до 5000 м, слагающими Амурский и Сынчугинский блоки. Второй структурно-вещественный комплекс представлен образованиями позднего докембрия–раннего палеозоя. Стратифицированные отложения наиболее полно представлены в Кимканском прогибе Малохинганского выступа: рифейские известняково-терригенные и нижнекембрийские известняково-кремнисто-глинистые образования суммарной мощностью более 7000 м. Среди магматических образований преобладают позднедокембрийские и раннепалеозойские гранитоиды.

Среднепалеозойский комплекс слагает Урмийский прогиб, окаймляющий Буреинский массив с востока и традиционно относящийся к окраинному пригеосинклинальному или пассивной континентальной окраине (Натальин, 1991). В строении Урмийского прогиба участвуют нижне-среднедевонские терригенно-карбонатные отложения пачанской и ниранской свит суммарной мощностью около 2800 м, а также нижне-средневизейские песчаники, алевролиты и гравелиты мощностью до 800 м (Решения…, 1994).

Верхнепалеозойский–среднетриасовый комплекс выполняет Куканский (или Урмийский) окраинный прогиб. Наиболее полный разрез известен в окрестностях хр. Бол. Чурки (Решения…, 1994). Он сложен песчаниками, алевролитами, известняками (650 м) ранней–начала поздней перми, осахтинской свитой поздней перми (песчаники, алевролиты, конгломераты, известняки, туфы кислого состава, общая мощность около 1500 м), а также ранне-среднетриасовыми песчаниками и алевролитами общей мощностью около 1000 м.

Рифейско-среднетриасовые мелководно-морские карбонатно-терригенные образования окраины Буреинского массива можно рассматривать как нижние этажи полифазного осадочного бассейна. В этот период здесь существовал мелководный морской бассейн с обильной фауной и флорой. Плотность пород варьирует от 2,52 до 2,67 г/см3 , что соответствует стадиям катагенеза МК3–МК5 , а по палеоглубинам – главной зоне газообразования. Однако эту часть разреза мы относим к фундаменту условно, сосредоточив главное внимание на верхнеюрско-кайнозойской части разреза.

На остальной части СОБ предполагается, что фундамент сложен триасово-раннемеловыми отложениями (Шевелев, 1987; Натальин, Черныш, 1992; Решения…, 1994). Перед описанием основных структур и стратиграфии следует напомнить о тех кардинальных переменах в интерпретации позднепалеозойских и мезозойских разрезов Восточно-Азиатской континентальной окраины, которые произошли в последнее десятилетие. Коснулись они и близких к СОБ регионов, где ареалы распространения верхнепалеозойских отложений сильно «сократились» или «исчезли» совсем. Это Хабаровско-Ванданская, Хорско-Анюйская (Шевелев, 1987), Горинская и Баджальская зоны, обобщение материалов по которым еще не завершено, а также террейн Наданьхада, продолжающийся в Западном Сихотэ-Алине.

С. Мизутани в 1987 г. предположил, что террейны Мино в Центральной Японии, Наданьхада в Северо-Восточном Китае и Западный Сихотэ-Алинь представляют собой части некогда единого мезозойского супертеррейна. Ныне стратиграфический разрез террейна Наданьхада, наиболее интенсивно изучавшийся в последнее время, следующий. Средне-верхнетриасово-нижнеюрская последовательность сложена красными, зелеными и серыми кремнями, кремнистыми сланцами с редкими линзами известняков, содержащих конодонты. Выше следует осадочный меланж с экзотическими (размером до 300 м) блоками карбон-пермских известняков (с фузулинидами, криноидеями и кораллами) и мезозойских кремней. Предполагается, что известняки формировались на палеоокеанических плато Восточного Тетиса. Алевропелитовый матрикс меланжа содержит среднеюрские радиолярии. Коллизия супертеррейна с континентальной окраиной произошла в конце средней юры (Yang et al., 1993), т. е. почти одновременно с коллизией Самаркинского террейна с континентальной окраиной и Сибирского блока с Буреинским. После этого поверх «спаявшихся» террейнов и блоков накапливались верхнеюрские–нижнемеловые аргиллиты, алевролиты, песчаники и конгломераты, содержащие остатки аммонитов и двустворок, характеризующих неритовую обстановку седиментации. В основании последней толщи залегают базальные конгломераты, содержащие в обломках среднетриасовые–среднеюрские радиолярии. Еще выше залегают базальты, широко распространенные в восточной части провинции Хэйлунцзян, возраст которых 111,3–97,9 млн лет (Ma, Fang, 1991).

Восточная часть террейна Наданьхада продолжается на территории России, ограничиваясь с юго-востока сдвигом Дуньхуа-Мишань и его северо-восточным продолжением. Впервые осадочный меланж (микститы) выделил в разрезе по р. Амур близ г. Хабаровска С.Ю. Беляев (1978), а позже большое внимание проблеме микститов в Приамурье уделял Е.К. Шевелев (Шевелев, 1987; Микститы…, 1988). В результате выяснилось, что большая часть ранее выделявшихся по окраине Буреинского блока палеозойских, триасовых и юрских толщ (свит) оказались блоками, глыбами и олистолитами, погруженными в нижнемеловой матрикс. Хабаровский разрез изучался позже многими исследователями (Натальин, Черныш, 1992; и др.). Возраст матрикса, по данным разных исследователей, различен. В обломке кремнистых пород из микститов обнаружен комплекс радиолярий, характерных для берриаса–валанжина, а из карбонатно-глинистой конкреции выделены радиолярии мелового облика (Микститы…, 1988). А. Мацуока и С.В. Зябрев в матриксе микститов оп- ределили позднетитон-валанжинские радиолярии плохой сохранности (устное сообщение).

Рис. 6.24. Стратиграфические колонки верхнеюрско-нижнемеловых отложений (Микститы…, 1988).

1 – алевролиты и туфоалевролиты; 2 – переслаивание алевролитов и песчаников; 3 – песчаники; 4 – микститы с небольшими обломками (до 1 м) чужеродных пород; 5 – микститы с большими обломками (более 1 м) чужеродных пород; 6 – находки органических остатков: а – фораминифер; б – конодонтов; в – радиолярий; г – двустворок.

I–IV – разрезы: I – по р. Амур южнее железнодорожного моста в г. Хабаровск; II – севернее железнодорожного моста; III – у с. Воронежское; IV – по северо-восточному берегу Петропавловского озера

По мнению Е.К. Шевелева (Шевелев, 1987; Микститы…,1988), нерасчлененные верхнеюрско-нижнемеловые отложения широко распространены в хребтах Вандан, Хехцир и в районе г. Хабаровска (рис. 6.24). Ранее эти отложения включались в состав воронежской, хабаровской, краснореченской и других свит. У г. Хабаровска в составе толщи (около 1000 м) преобладают алевролиты и туфоалевролиты, а в верхах разреза появляются пласты песчаников, основных вулканитов и микститов. Последние представляют собой пласт алевропсаммитовых пород мощностью около 40 м, имеющих резкий неровный контакт с подстилающими алевролитами. В нижней части пласта присутствуют многочисленные глыбы (до 2 м в поперечнике) кремней, песчаников, спилитов и известняков с остатками каменноугольной и пермской фауны. В обломках кремнистых сланцев обнаружены конодонты Neospathodus sp. и радиолярии Triassocampe sp., а также комплекс радиолярий мезозойского облика. Пока возраст отложений (матрикса) принимается как поздняя юра–ранний мел. Но, учитывая данные по террейну Наданьхада и палеогеодинамические реконструкции, по-видимому, следует сузить этот возраст до поздней юры–готерива. Известно, что в готериве имели место интенсивные складчатые и сдвиговые дислокации, а также магматизм. Кроме того, в хр. Вандан установлено, что рассматриваемая толща перекрывается фаунистически охарактеризованными апт-альбскими отложениями (Микститы…, 1988).

Стратификация

На данной стадии изучения СОБ, как уже говорилось, разделение фундамента и чехла довольно условно. В этом разделе рассмотрен лишь юрско-кайнозойский интервал разреза. Строение его также неоднородно ввиду сложности и различного строения фундамента в разных частях впадины.

С запада на восток выделяются три основные зоны (Решения…, 1994): Бирско-Белоянская, Горинская и Западно-Сихотэ-Алинская с различными типами разрезов.

В Бирско-Белоянской зоне в 1970-х годах установлены довольно обширные поля юрских угленосных терригенных образований общей мощностью около 2000 м (Решения…, 1994). Снизу вверх это нижнеюрская (верхний плинсбах–нижний тоар) лангарийская свита (300–960 м), представленная конгломератами, песчаниками, углисто-глинистыми сланцами, каменными углями и алевролитами с остатками Acrocoelites stimulus (Damort). Выше с перерывом залегает среднеюрская катонская свита (400–850 м) (байос–бат), сложенная песчаниками с прослоями конгломератов, глинистых сланцев, углей, пепловых туфов с остатками Dicranodonta cf. pictum Milasch., Ostrea sp., Eulina cf. laeviscula Schw. Далее вверх – будаканская свита (180–300 м), сложена конгломератами, песчаниками, аргиллитами и пепловыми туфами. Обоснование возраста этих отложений недостаточно убедительно. В свете данных В.В. Кирьяновой по фитостратиграфии меловых отложений Малохинганской зоны, примыкающей с запада, где установлен полный разрез мела от берриаса до маастрихта, не исключено, что часть юрских толщ будет датироваться мелом, но для этого нужны дополнительные исследования.

Меловая часть разреза пока представлена лишь серединой мела. Она залегает в грабенах на раннепалеозойских гранитах и раннепротерозойских образованиях, а на юго-восточном борту Бирофельдского грабена (в Ульдура-Чуркинском горсте) – на девонских, верхнепермских и триасовых толщах.

При рассмотрении юрско-мелового разреза Бирско-Белоянской зоны целесообразно коротко описать разрезы китайской части Средне-Амурской впадины (Саньцзян). Погружение Суэбин бассейна Саньцзян расположено на правобережье Амура и является продолжением Бирско-Белоянской и частично Горинской зон.

По последним данным, включая материалы бурения глубоких скважин (Yang et al., 2000), реконструируется довольно полный разрез от средней юры до маастрихта. Келловей-берриасские терригенные отложения содержат морскую фауну двустворок, аммонитов, белемнитов, гастропод и брахиопод, а также динофлагеллят и спорово-пыльцевые комплексы. Валанжин-аптские отложения – континентальные, преимущественно терригенные угленосные с пластами туфов и обильной ископаемой флорой. В альбе преобладают андезиты и базальты, реже встречаются терригенные породы с остатками водорослей, спор, пыльцы и растений. Сеноман-маастрихтские отложения представлены пестроцветными терригенными отложениями с флорой.

Горинская зона простирается в северо-восточном направлении от г. Хабаровска до низовьев р. Амур. Меловой разрез здесь довольно полный, однако на IV стратиграфическом совещании (Решения…, 1994) была отмечена необходимость доизучения стратотипов свит, выделенных здесь более 30 лет назад, а также целесообразность разделения Горинской зоны на две подзоны – Ванданскую и Чаятынскую, с чем следует согласиться, поскольку различия весьма заметные. На юге Горинской зоны широко развита олистостромовая толща, возраст матрикса которой от поздней юры до готерива. Как уже говорилось выше, доготеривская часть разреза этой зоны условно отнесена к фундаменту.

Западно-Сихотэ-Алинская зона и ее разрез, включая юру и нижний мел, представляют наибольший интерес и рассмотрены подробнее, поскольку в ней расположен Переяславский грабен, перспективный в отношении углеводородов.

Верхнеюрско-нижнемеловую часть разреза Бикинской зоны, примыкающей с юго-востока к Западно-Сихотэ-Алинской, детально описал А.Н. Филиппов (1990). Наиболее представительна в Западно-Сихотэ-Алинской зоне апт-сеноманская часть разреза, в расчленении которой в последние годы произошли существенные изменения. Ранее здесь выделялась уктурская свита. Отложения, относившиеся к уктурской свите, по характеру разреза значительно отличаются от этой свиты, развитой в бассейне р. Уктур, поэтому вместо нее предложено выделять ассикаевскую свиту (Решения…, 1994; Маркевич и др., 2000). Обильные находки ископаемой фауны помогли уточнить время начала вулканизма в этой зоне как ранний–средний альб. В отрогах хр. Стрельникова терригенная толща с аммонитами до последнего времени тоже относилась к уктурской свите, а аналогичные образования в районе ст. Вяземская – к верхнему мелу. В последние годы эти отложения получили твердое возрастное обоснование (Маркевич и др., 2000). Их разрез четко отличается от всех известных меловых образований, поэтому они выделены в стрельниковскую свиту мощностью 2400 м.

Интересно сопоставить этот возрастной интервал с разрезом скв. В-I в Переяславском грабене. Анализу стратиграфической последовательности и комплексов ископаемой фауны в этой скважине до сих пор уделялось недостаточно внимания, поэтому остановимся на этих вопросах подробнее. К тому же корреляция разреза скважины с известными меловыми толщами и свитами проведена, на наш взгляд, неверно. В работе (Кириллова и др., 1996) показаны интервалы, из которых получены наиболее богатые комплексы фораминифер (определения Т.В. Туренко), двустворок (определения Н.В. Сальниковой) и стратиграфические диапазоны их возможного распространения. По заключению Н.В. Сальниковой, комплекс ископаемой фауны из интервала 2770–2781 м состоит из представителей солоноватоводных и пресноводных моллюсков, а остальные органические остатки выше по разрезу – представители неглубокого, достаточно теплого моря с нормальной или чуть пониженной соленостью. Н.В. Сальникова отмечает плохую сохранность фауны и считает, что вся она напоминает фаунистическую ассоциацию и характер ее распределения по разрезу в старосучанской и северосучанской свитах Приморья и их возрастных аналогах на Дальнем Востоке. Возрастной диапазон этих свит, принятый на IV стратиграфическом совещании, поздний готерив–начало позднего альба (Решения…, 1994).

Рассматривая территориально более близкие аналоги, нельзя не обратить внимание на сходство с ассикаевской и стрельниковской свитами Западно-Сихотэ-Алинской зоны (Маркевич и др., 2000). В скв. В-1 нет вулканитов, но они встречены в соседних скв. Е-1 и Е-2, где также определены альбские двустворки, а 40Ar/39Ar возраст андезибазальтов 106,8±1,3 млн лет. В скв. В-1 определены также агглютинированные бентосные фораминиферы. Т.В. Туренко отмечает плохую сохранность фораминифер и предположительно определяет возраст интервала 1490–2430 м как средний апт–альб, а интервала 1310–1432 м – апт–кампан. Кроме того, в интервале 380–1113 м встречены фораминиферы широкого стратиграфического распространения. По мнению Т.В. Туренко, они свидетельствуют, что осадки накопились в мелководном бассейне. Однако данные по последнему интервалу вступают в противоречие с другими. Как известно (Геологическое строение…, 1984; Решения…, 1994), самые молодые морские осадки в этой зоне – туронские, а позже преобладала континентальная седиментация. Геологи, изучавшие разрез скв. В-1, считают, что с глубины 1250 м разрез кайнозойский. Эти сведения надо иметь в виду для дальнейшей проверки. Дело в том, что еще в 1960 г. В.А. Марков (неопубл. данные) обнаружил в керне ряда скважин в бирофельдской свите остатки микрофауны, похожей на фораминиферы, о чем подробнее будет сказано при описании кайнозойского разреза. Пытаясь «привязать» разрез скважины к меловым образованиям, обнажающимся по бортам и в горстах СОБ, нельзя не упомянуть об апт-альбской толще, обнажающейся около с. Князе-Волконское по правому борту р. Сита и в устье р. Обор. Это всего в 2,5 км севернее скв. В-1. Раньше эти отложения выделялись как уктурская свита. Они несогласно залегают на всех нижележащих образованиях, нередко с конгломератами в основании. Представлены апт-альбские отложения чередованием конгломератов, песчаников, алевролитов, аргиллитов и пачек турбидитов. В них найдены отпечатки флоры, ископаемые аммониты и пелециподы. Заканчивается разрез песчаниками мощностью около 70 м. Этот разрез похож на нижнюю часть разреза скв. В-1 в интервале 2700–3200 м и на верхнюю подсвиту ассикаевской свиты, содержащей остатки фауны и флоры.

На большей части рассматриваемой территории на границе мела и палеоцена произошла существенная тектоническая перестройка с преобладанием восходящих движений, сопровождавшихся излияниями вулканитов. Предполагаемые палеоценовые отложения известны к востоку от СОБ в небольших приразломных депрессиях вдоль Центрального Сихотэ-Алинского сдвига. Это свита кандахэ, сложенная андезитами, туфоконгломератами, конгломератами, граувакковыми песчаниками, туффитами, туфопесчаниками и туфами андезитов. Мощность ее от 200 до 600 м. По флористическим остаткам возраст свиты – даний. Кроме того, верхнепалеоцен-нижнеэоценовые отложения вскрыты скважиной в районе Бикинского буроугольного месторождения. Они представлены глинами со слоями песка и галечника в основании, мощность пачки не более 80 м, а возраст подтвержден надежным спорово-пыльцевым спектром.

В основании кайнозойского разреза скважин собственно СОБ обычно залегают эоцен-олигоценовые осадки (рис. 6.25), а палеоценовые отсутствуют, что отражает, видимо, перерыв в седиментации. В ряде скважин, a также по обрамлению СОБ наблюдаются палеоценовые андезиты, андезито-дациты и их туфы.

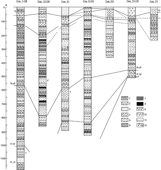
Рис. 6.25. Схема сопоставления кайнозойских разрезов основных скважин в Переяславском грабене (Варнавский, 1971; Варнавский и др., 1988).

1 – галечник; 2 – пески с галькой; 3 – пески; 4 – алевриты; 5 – глины; 6 – коричневые и темно-коричневые глины фаций застойных озер; 7 – углистые глины; 8 – бурый уголь; 9 – диатомиты; 10 – базальты; 11 – размыв; 12 – нефтепроявления (а), газопроявления (б)

Кайнозойские отложения грабенов СОБ довольно хорошо изучены бурением и описаны в предыдущие годы в связи с поисками месторождений бурого угля (Варнавский, 1971; Геологическое строение…, 1984; и др.). Стратиграфическая схема прежних лет не претерпела сколько-нибудь значительных изменений (Решения…, 1994).

Наиболее мощный и полный кайнозойский разрез известен в Бирофельдском и Переяславском грабенах. О строении и составе кайнозойских отложений в Переяславском грабене можно судить по разрезам скважин, пробуренных в центральной части грабена (см. рис. 6.25).

Чернореченская свита вскрыта лишь наиболее глубокими скважинами. Состав ее неустойчив и меняется от существенно глинистого в центральной части грабена до песчаного и песчано-галечникового в прибортовых частях грабена. Мощность свиты наибольшая в скв. I-В (интервал 860–1250 м). Она обычно подразделяется на две подсвиты. С.П. Кузьменко, изучавший кайнозойские образования СОБ в 1970–1980-е годы, предлагает нижнюю подсвиту чернореченской свиты выделить в оборскую свиту.

Бирофельдская свита залегает согласно на чернореченской. Наиболее типичный разрез ее вскрыт скв. 5-ОК (см. рис. 6.25), где чередуются глинисто-алевролитовые и песчаные слои. Возраст кайнозойских свит определялся по спорово-пыльцевым комплексам, реже – по ископаемой макрофауне. Однако в бирофельдской свите в скв. 51-ОК, 5-ОК и I-ОК еще в 1960 г. В.А. Марков обнаружил ископаемую микрофауну, похожую, по мнению палеонтологов МГУ В.П. Алимариной и Н.А. Горбачик, на фораминиферы (Варнавский, 1971; Решения…, 1994). Более тщательное и подробное изучение обнаруженных органических остатков было продолжено тогда же старшим научным сотрудником ВНИГРИ Н.К. Быковой, которая предположила, что они относятся к новой группе колониальных организмов, условно выделенных под названием Semibryozoa. Впервые эта группа была обнаружена Н.К. Быковой в морских кайнозойских образованиях п-ова Мангышлак в 1960 г. Если это, как и фораминиферы, морские организмы, то их присутствие в верхнеолигоценовых слоях может свидетельствовать о кратковременной морской трансгрессии. В это же время, в позднем олигоцене, следы морской трансгрессии установлены в нижней пачке форомации Шахэцзе в бассейне Бохайвань (Ye et al., 1995), где найдены глауконит и морские ископаемые органические остатки. Это весьма интересный и важный факт для палеогеографических реконструкций.

Ушумунская свита залегает несогласно на бирофельдской. Она вскрыта всеми скважинами, а наиболее полный и типичный разрез ее – в скв. 12-ОК (см рис. 6.25). В ряде разрезов свита подразделяется на нижнюю угленосную и верхнюю безугольную подсвиты (Варнавский, 1971); максимальная мощность ее около 700 м. В юго-западной части Переяславского грабена ушумунская свита замещается базальтами, андезибазальтами, туффитами, туфами кизинской свиты, содержащими остатки флоры и диатомовых водорослей.

На ушумунской свите несогласно залегает средне-верхнемиоценовая головинская свита. В краевых частях грабенов она обнажается на поверхности. Характерен преимущественно кремнистый состав галек в галечниках и каолиновый состав глин, что позволяет отнести эту свиту к корам выветривания. Коры выветривания фиксируются также на базальтах кизинской свиты.

Венчается кайнозойский разрез песчано-гравийными отложениями приамурской свиты плиоценового возраста, которая замещается к востоку плиоцен-четвертичными базальтами совгаванской свиты.

Фации, формации, обстановки осадконакопления

Для полного и детального анализа фаций, формаций и реконструкции обстановок осадконакопления для всего СОБ материала пока недостаточно, особенно для мезозойского этапа, в связи с закрытостью территории и небольшим объемом бурения. Всего три глубокие скважины вскрыли меловые отложения и несколько мелких по краям грабенов, остальные прошли только кайнозойский разрез.

В верхнеюрских отложениях юго-восточной части СОБ выделено три мегафации: вулкано-терригенная, песчано-глинистая и вулканогенная. Вулкано-терригенной фации свойственно сложное латеральное и вертикальное сочетание вулканитов и терригенных пород. Вулканиты наиболее полно развиты в южной части полосы распространения мегафации. Это преимущественно щелочные базальтоиды, в меньшей степени туфы, гиалокластиты и кластолавы. Вместе с экструзивными образованиями они слагают прерывистую цепочку крупных тел, протягивающуюся в северо-восточном направлении от междуречья Улитка–Бикин до р. Хор. Наибольшая мощность вулканитов – 900–1000 м – отмечается вблизи Улиткинского разлома. Петрохимические особенности вулканитов, находки среди них меймечитов, близких по составу к платформенным, позволяют предположить, что магмоподводящий разлом заложился на континентальной коре. Судя по ассоциации с микститами и гравелитами, лавы изливались в подводных условиях на сложно расчлененном континентальном склоне (Филиппов, 1990). Видимо, обломочный материал микститов и гравелитов поступал здесь преимущественно с Ханкайской суши, в то время как в западной части СОБ обломочный материал поступал, видимо, с Буреинской суши (рис. 6.26). Песчано-глинистая мегафация накапливалась в подводной котловине, примыкавшей к континентальному склону. Вулканогенная мегафация развита на участке от пос. Снарский до пос. Вяземский. Она сложена подводными лавами и туфами, содержащими линзы слоистых яшм с радиоляриями и оолитовых известняков с остатками мелководной фауны.

Рис. 6.26. Схематизированный геологический разрез через Средне-Амурский бассейн (Натальин, Черныш, 1992).

Условные обозначения: 1 – четвертичные отложения; 2 – осадочное выполнение Средне-Амурского бассейна; 3 – неоген-четвертичные базальты; 4 – хабаровский комплекс; 5 – амурский комплекс; 6 – киселевско-маноминский комплекс; 7 – Баджальская аккреционная складчатая система; 8 – Самаркинский террейн; 9 – анюйский микроконтинент; 10 – нижнемеловые турбидиты Восточного Сихотэ-Алиня; 11 – отражающие границы в фундаменте; 12 – разломы; 13 – смещения крыльев сдвигов: а – против направления взгляда, б – по направлению взгляда.

I – Амурская сутура, II – Центральный Сихотэ-Алинский левый сдвиг

Берриас-валанжинские образования представлены двумя мегафациями: гравелит-песчаниковой и алевро-аргиллитовой. Гравелит-песчаниковая мегафация состоит из мощных слоев мелкозернистых песчаников и алевролитов и интерпретируется как ряд конусов выноса, накопившихся на окраине неглубокого бассейна. Алевро-аргиллитовая мегафация представлена темно-серыми алевро-аргиллитами с прослоями мелкозернистых песчаников, массивных и слоистых алевролитов, линзами конгломератов, а также песчано-алевролитовых и алевролит-алевро-аргиллитовых турбидитов с мощностью слоев от 10–20 см до 2 м. Кроме остатков морской мелководной фауны в этой мегафации в изобилии встречается растительный детрит. Рассматриваемая мегафация характеризует обстановку подножия континентального склона, рассеченного каньонами, и примыкающей морской равнины. В целом берриас-валанжинский бассейн, вероятно, был окраинным морем (Филиппов, 1990) с довольно сложными очертаниями. На палеогеографических схемах Северо-Восточного Китая берриасский морской бассейн показан вдоль р. Уссури, переходящий затем в узкий залив вдоль разлома Дуньхуа-Мишань с широким развитием дельтовых отложений. Морской залив показан также вдоль р. Амур. Видимо, он имеет продолжение и на российской стороне.

После готеривских движений в конце готерива–начале баррема последовала вторая меловая трансгрессия, охватившая обширные регионы Дальнего Востока. На ряде палеогеографических схем китайских и японских геологов (Matsukawa et al., 1993; Yang et al., 1993; и др.) на рассматриваемой нами территории реконструируется глубоко врезающийся в сушу морской залив. В Северо-Восточном Китае, в междуречье Амура и Уссури, вдоль р. Уссури реконструируется обстановка морского залива, в который впадали многочисленные реки (дельтовые фации). Западнее, вдоль разлома Дуньхуа-Мишань вплоть до р. Сунгари с выходом к Амуру вдоль разлома Цзя-И, простиралась аллювиальная заболоченная равнина с мелкими озерами.

Для остальной части мелового разреза известны лишь самые общие палеогеографические реконструкции. В апте сохранялась та же обстановка, что и в барреме, лишь морской залив продвинулся немного на юг, достигнув устья р. Бикин. Судя по присутствию в разрезе нижней подсвиты ассикаевской свиты как мелководно-морской фауны, так и флоры, а также обилию углистого детрита в аргиллитах, обстановка была прибрежно-морской. Морской залив существовал здесь вплоть до турона (возможно, кампана). Максимум трансгрессии отмечается с середины альба до сеномана. В это время по узким заливам море проникло в такие далекие континентальные бассейны, как Буреинский, Сучанский и Сунляо, где найдены остатки солоноватоводной фауны. В то же время в раннем и начале среднего альба имели место тектонические движения и начался вулканизм. По юго-восточной окраине СОБ в нижней и средней подсвите ассикаевской свиты отмечены андезиты, туфы андезитов и дацитов. Это значит, что возникли вулканические дуги, которые, интенсивно разрушаясь, поставляли кластический материал в соседние погружения. В среднем–начале верхнего альба здесь накопилась терригенная стрельниковская свита мощностью около 2500 м. Особенно интенсивным был вулканизм в соседней Алчанской зоне.

Вторая половина мела характеризуется интенсивным вулканизмом на всей территории Дальнего Востока, в том числе и по периферии СОБ. О внутренних частях СОБ мы пока мало знаем, но, судя по результатам магнитных съемок, они насыщены «магнитными» телами (видимо, вулканитов). Большая часть СОБ в позднем мелу представляла собой обширную аккумулятивную равнину, в отдельных впадинах которой накапливались вулканогенно-осадочные породы, а иногда угли.

Фации кайнозоя изучены гораздо лучше, поскольку в СОБ пробурено множество углепоисковых скважин, проведены их изучение и интерпретация (Варнавский, 1971; Варнавский и др., 1988; и др.). Наиболее хорошо изучены Бирофельдский, Хабаровский и Переяславский грабены, где был сосредоточен основной объем бурения.

Чернореченская свита лучше всего изучена в Бирофельдском грабене, где она вскрыта скв. 1/3-ОК, прошедшей 1420 м кайнозойского разреза (см. рис. 6.25). Она здесь расчленяется на две подсвиты – нижнюю и верхнюю. В нижней части нижней подсвиты преобладают пески мелкой, средней и крупной размерности, косослоистые фации русла реки, однородные неслоистые, изредка пологоволнистые глины и алевриты фаций проточных и застойных озер, угли и углистые глины фаций торфяных болот. Нередко отмечаются литокристаллокластические туффиты. В средней части подсвиты несколько возрастает количество пластов однородных, реже волнисто-слоистых глин фаций проточных пойменных и застойных озер. По-прежнему много туффитов. В верхней части подсвиты основное значение приобретают однородные глины и алевриты фаций застойных и проточных озер, им подчинены пески средней, мелкой и крупной зернистости и маломощные слои галечников фаций русла реки. Выше слоев галечников состав терригенного материала резко меняется, здесь преобладают кварц, кремень, изредка полевой шпат и обломки осадочных пород. Обломки андезитов, андезитовых порфиритов и дацитов здесь отсутствуют.

В Хабаровском грабене изученная часть нижней подсвиты чернореченской свиты сложена в основании грубообломочными склоновыми глинисто-песчано-дресвяными со щебнем и русловыми песчано-галечниковыми образованиями, сменяющимися вверх по разрезу и по мере удаления от бортов грабена к его центральной, наиболее погруженной, части более тонкозернистыми разностями пород.

В Переяславском грабене вскрыта самая верхняя часть нижней подсвиты чернореченской свиты мощностью до 158 м. Представлена она песками разной зернистости, гравийниками и галечниками, алевритами и глинами. В центральной, наиболее погруженной, части грабена преобладают алевриты и глины, а к его северо-западной окраине, по мере приближения к Хехцирскому поднятию, возрастает роль песков, гравийников, галечников.

Верхняя подсвита чернореченской свиты в Бирофельдском грабене в нижней части содержит преимущественно несортированные, неслоистые пески мелкой, средней, реже крупной зернистости фаций руслово-пойменного комплекса, однородные алевриты и глины зеленовато-серого, серого, светло-коричневого цвета фаций проточных и застойных озер, более десяти пластов и пропластков бурого угля и углистых глин. В верхней части подсвиты наблюдаются преимущественно косослоистые (слоистость типа дельтовой) пески крупной зернистости фаций русла реки, светло-коричневые и темно-серые однородные глины фаций застойных озер, многочисленные маломощные прослои мелко- и среднезернистого песка, пласты и пропластки бурого угля и углистой глины фаций торфяных болот. Среди глинисто-алевритовых пород отмечаются прослои туффитов.

В Хабаровском грабене верхняя (угленосная) подсвита представлена глинисто-алевритовыми образованиями фаций болотно-озерного комплекса и пластами бурого угля, максимальной суммарной мощностью до 35 м. Изученная часть чернореченской свиты здесь имеет мощность до 110 м.

В Переяславском грабене верхняя подсвита представлена подобными вышеописанным типами пород, и в их распределении по латерали намечается та же закономерность, т. е. по мере приближения к бортам грабена возрастает роль русловых и склоновых образований. Отличительной особенностью Переяславского грабена является наличие известковистых разностей пород – известковистых песчаников и мергелей фаций засолоненных водоемов, отмечаются слои бентонитовых глин.

Бирофельдская свита в Бирофельдском грабене представлена толщей однородных неслоистых кремового цвета туфогенных глинисто-алевритовых отложений фаций открытых (проточных) озер с прослоями пепловых туфов и туффитов, содержащих остатки диатомей, в северо-западной части Мориловецкого погружения – пепловым туфом. По заключению М.С. Поповой, присутствие спикул губок, которые ныне обитают только в оз. Байкал, свидетельствует о больших размерах озера. В основании свиты часто отмечаются песчаники крупной и мелкой зернистости, лежащие с размывом на угленосных отложениях чернореченской свиты. В прибортовых частях грабена в однородной глинисто-алевритовой массе пород увеличивается содержание редко разбросанной гальки, отмечаются маломощные линзующиеся прослои песчаников, угля и углистой глины. Разрез бирофельдской свиты представлен одним мощным (115 м) алеврито-глинистым циклом с маломощным (до 5 м) песчаным базальным слоем, залегающим на нижележащих породах с размывом.

В Хабаровском и Переяславском грабенах глинисто-алевритовая толща свиты, типичная для центральных частей, по мере приближения к бортам в значительной степени насыщается песчаными образованиями. В Переяславском грабене отмечаются слои темно-серых известняков и мергелей, известковистых песчаников; в глинисто-алевритовых породах содержатся сидеритовые и глинисто-сидеритовые конкреции в форме микрожелваков, желваков размером 3–4 см, возможно, линз.

В отличие от Бирофельдского в Переяславском грабене бирофельдская свита имеет полицикличное строение. В скв. 51-ОК, расположенной ближе к центральной, наиболее погруженной, части грабена она представлена восемью циклами, в которых мощность базального песчаного слоя в 5–10 раз меньше мощности его алеврито-глинистой части. Переходы между циклами большей частью постепенные. В скв. 1-ОК, пробуренной несколько ближе к северо-западному борту грабена, число циклов возрастает до 29. Циклы того же типа, что и в скв. 51-ОК, но здесь значительную роль приобретают циклы, ложащиеся на нижние с размывом. В составе циклов иногда отмечаются известковые алевролиты. В скв. 9-ОК, расположенной еще ближе к борту грабена, наряду с уменьшением мощности свиты до 145 м уменьшаются число циклов (до 15) и их средняя мощность; почти все они лежат на подстилающих с размывом.

В ушумунскую свиту выделена часть неогеновых отложений, залегающих выше однородных глинисто-алевритовых образований бирофельдской свиты. В центральных частях грабенов они залегают на бирофельдской свите согласно, а в краевых – с размывом. Свита делится на две подсвиты: нижнюю (угленосную) и верхнюю (безугольную). Границы между ними проводятся по подошве слоя песка, залегающего с размывом на верхнем пласте угля нижней подсвиты, или же по кровле верхнего пласта угля (углистой глины). Нижняя подсвита объединяет алевриты и глины однородные и горизонтально-волнисто-слоистые фаций открытых, застойных и зарастающих озер; угли и углистые глины фаций торфяных болот, редкие слои песков и слабосцементированных песчаников мелкой зернистости.

В Хабаровском грабене ушумунская свита включает различные породы – от несортированных «мусорных» разностей, дресвы и щебня до угля и углистых глин, а в ряде мест отмечаются диатомиты и широко развитые старичные песчано-гравийные отложения.

В Переяславском грабене нижняя (угленосная) подсвита характеризуется преимущественно глинисто-алевритовым составом осадков фаций озерно-болотного комплекса. Они занимают половину всего разреза подсвиты. Около 10 % разреза составляют угли, углистые глины фаций застойных и зарастающих озер, около 2 % – известковые песчаники, алевриты, глинистые известняки, аргиллиты. Осадки руслово-пойменного комплекса (более 35 %) представлены преимущественно неслоистыми песками мелкой и средней зернистости. Отмечаются диатомиты.

В Бирофельдском грабене в подсвите содержится до 10, в Хабаровском – около 21, а в Переяславском – более 15 пластов бурого угля мощностью от долей метра до 11 м. Мощность нижней подсвиты ушумунской свиты в Бирофельдском грабене 100–150 м, в Хабаровском – 150–250 м, в Переяславском – до 480 м.

Верхняя подсвита ушумунской свиты в Бирофельдском грабене представлена алевритами песчаными, однородными фаций проточных озер, параллельно-слоистыми фаций пойменных озер, горизонтально-волнисто-слоистыми фаций поймы и русла реки; песками мелкозернистыми, неслоистыми, изредка тонкогоризонтально-слоистыми фаций русла реки; песками крупно- и среднезернистыми, гравийниками и галечниками фаций русла реки; изредка однородными глинами и алевритами фаций болотно-озерного комплекса.

В Переяславском грабене она резко отличается от угленосной. Более половины ее разреза характеризуется песками руслово-пойменного комплекса. Светлоокрашенные глинисто-алевритовые озерные осадки составляют здесь 37 %. Полностью отсутствуют угли и темно-коричневые, темно-серые глины. Мощность подсвиты в Бирофельдском грабене 221 м, Переяславском – до 185 м.

Разрез ушумунской свиты в Бирофельдском грабене имеет цикличное строение. В нижней половине преобладают алеврито-глинистые, часто угленосные циклы мощностью от 12 до 36 м, в верхней половине – песчано-глинистые мощностью от 6 до 68 м.

В центральной части Переяславского грабена (скв. 51-ОК) нижнемиоценовые отложения имеют мелкоцикличное строение. Взаимопереходы между циклами постепенные.

Восточнее Бирофельдского грабена в зоне Мориловецкого, Надеждинского и других грабенов СОБ выделяется головинская существенно песчаная свита верхнего миоцена. На подстилающих породах она лежит с размывом. В Бирофельдском грабене к ней, по-видимому, относятся существенно песчаные отложения с галечником в основании, вскрытые скважиной 1/3-ОК в интервале 36–140 м. В толще песков разной зернистости здесь отмечаются редкие маломощные прослои глин и алевритов, венчающие разрез. Мощность головинской свиты достигает 115 м.

Палеоген-миоценовые отложения в Переяславском грабене перекрываются с размывом несортированными песчано-галечными образованиями приамурской свиты плиоцен-древнечетвертичного возраста. Песчано-галечниковые отложения приамурской свиты выполняют древние речные долины и залегают горизонтально, мощность их достигает 75 м.

В.Г. Варнавским составлены схемы литолого-фациальных обстановок осадконакопления для всех кайнозойских свит (Варнавский, 1971). По ним реконструируется длительное существование в кайнозое крупных озерных бассейнов в Бирофельдском и Переяславском грабенах.

По обстановкам седиментации в мезозое и кайнозое в СОБ и на прилегающих территориях можно сделать следующие выводы.

1. Для позднеюрско-раннемелового этапа (кое-где вплоть до коньяка или кампана) характерна перманентная обстановка континентальной окраины с частой сменой фациальных обстановок озерно-аллювиальной прибрежной равнины (фации озер, дельт, речных долин) морскими обстановками шельфа, окраинного морского мелководья. Осадки подобного типа обогащены органическим веществом и могут служить хорошими нефтематеринскими толщами, поскольку чередование обстановок седиментации с внедрением то пресных, то соленых вод способствует массовому вымиранию прибрежной фауны. Существенно глинистые слои большой протяженности могут служить покрышками, песчаные тела – резервуарами. Кроме того, как установлено японскими исследователями на месторождениях Акита, Ниигата, а китайскими в бассейне Бохайвань и на юго-западном продолжении СОБ в бассейне Саньцзян, тела вулканитов могут служить как хорошими покрышками, так и трещиноватыми коллекторами. К тому же они способствуют созданию благоприятного теплового режима для расцвета планктона и «созревания» органического вещества.

2. В посткампанскую эпоху большая часть СОБ представляла собой обширную аккумулятивную равнину, в отдельных впадинах которой накапливались вулканогенно-осадочные породы, иногда угли, возможно приуроченные к рифтам. Эта часть разреза пока достоверно не вычленена из разрезов скважин, и ее фациальная принадлежность неясна.

3. На кайнозойском этапе можно наметить три седиментационные системы: 1) крупная озерная система (нижний эоцен–миоцен), существовавшая до середины ушумунского времени; 2) аллювиальная (руслово-пойменная) система позднеушумунского времени, когда площадь СОБ была максимальной; 3) аллювиальная система плиоцен-четвертичного возраста, имеющая более ограниченное распространение.

4. Формирование осадочного чехла СОБ сопровождалось активной магматической деятельностью. Нижнемеловые эффузивные образования, представленные андезибазальтами, встречены в восточной прибортовой части СОБ. Верхнемеловые эффузивы в виде покровов часто встречаются вдоль восточной границы СОБ и представлены игнимбритами, липаритами, андезитами, андезито-дацитами и их туфами мощностью до 700 м. На восточном и юго-восточном обрамлении СОБ широко развиты палеогеновые и неогеновые андезиты, андезибазальты и трахиандезиты мощностью 700 м. В качестве вулканогенной фации континентальных миоценовых отложений рассматриваются широко развитые оливиновые базальты, трахибазальты и андезибазальты кизинской свиты мощностью от 300 до 600 м. Плиоцен-четвертичные покровы базальтов и андезибазальтов мощностью 10–15 м имеют широкое распространение по всему бассейну (совгаванская свита).

Тектоника и геодинамика

Точки зрения на тектоническую природу СОБ менялись по мере накопления фактов. Длительное время на схемах тектонического районирования СОБ определяли как межгорный (Е.Б. Бельтенев, М.Г. Золотов, Л.И. Красный). В 80-х годах прошлого века появилось представление о рифтовой природе этой крупной структуры на кайнозойском этапе (Геологическое строение…, 1984; Варнавский, Малышев, 1986; Ye et al., 1995). В 90-х годах много внимания изучению фундамента и осадочного выполнения уделял Б.А. Натальин (Натальин, Черныш, 1991, 1992). Следуя классификациям А. Бэлли, С. Снельсона, Г. Клемме, он отнес СОБ к составным осадочным бассейнам. На ранних этапах бассейн развивался как передовой прогиб, заложившийся перед фронтом перемещавшихся в северо-западном направлении масс, а позднее – как структура растяжения. В промежутке между этими двумя стадиями на формирование осадочного чехла СОБ, вероятно, влияли и сдвиги (см. рис. 6.26).

Анализируя стадию растяжения, Б.А. Натальин предполагал, что она не похожа на рифтовую, а скорее, аналогична формированию провинции Бассейнов и Хребтов Запада США, и образование односторонних грабенов обусловлено изостатическим выравниванием участка зоны коллизии, обладавшего повышенной мощностью земной коры (Натальин, Черныш, 1992). В общих чертах представления Б.А. Натальина, по-видимому, верны, но история формирования СОБ еще более сложна. К тому же требует корректировки временная привязка стадий развития СОБ. Впадина имеет сложное тектоническое строение и представляет собой чередование многочисленных грабенов и грабеноподобных погружений и горстов, сложенных интенсивно дислоцированными комплексами пород.

По гравиметрическим исследованиям в СОБ выделено 22 грабена (рис. 6.27). Большинство из них имеет северо-восточную ориентировку по длинной оси. Наиболее крупные из них: Переяславский, Гасси-Анюйский, Кур-Урмийский, Бирофельдский площадью от 1,6 до 2,5 тыс. км2, расположены в краевых северо-западной и юго-восточной зонах тектонического ограничения СОБ. По данным гравиразведки и сейсморазведки МОВ ОГТ установлено, что мощность кайнозойских отложений в пределах грабенов достигает 2500–2800 м, а суммарная мощность отложений до складчатого основания достигает 4,5–5 км.

Рис. 6.27. Кайнозойские грабены в Средне-Амурском бассейне по данным геофизических исследований

Как отмечалось выше, идентификация фундамента и чехла в СОБ не всегда очевидна. В западной части, на структурах Буреинского массива и его окраинных прогибов, к осадочному чехлу СОБ относится позднеюрско-кайнозойский комплекс, который целесообразно разделять на два подкомплекса: позднеюрско-меловой и кайнозойский.

В восточной части СОБ осадочный чехол, видимо, начал формироваться после готеривской складчатости. Как установлено российскими и китайскими исследователями, в готериве активизировались левосдвиговые перемещения по системе разломов Тан-Лу (Xu, 1993), в том числе и по Центральному Сихотэ-Алинскому разлому, и, по-видимому, зародились присдвиговые бассейны (pullapart). Анализируя результаты сейсмопрофилирования в СОБ, Б.А. Натальин и С.Г. Черныш (1992) также допускали, что зарождение СОБ происходило в условиях сжатия, вызванного коллизией террейнов, перед фронтом надвигов, сопровождающих сдвиги. Авторы также отмечали, что нижние горизонты осадочного выполнения, видимо, вовлекались в деформации и на временных разрезах иногда неотличимы от складчатого фундамента. Однако началом формирования осадочного чехла авторы считают поздний мел, что, по нашему мнению, ошибочно в свете стратиграфических данных, полученных в скв. В-1, где определены готерив-альбские ископаемые органические остатки. На большую часть готерива приходится перерыв, и седиментация возобновляется только в самом позднем готериве.

Что касается характера пликативных дислокаций, то они проявлены весьма неравномерно, как отмечается всеми исследователями. Зоны сложной линейной складчатости с чередованием антиклиналей и синклиналей протяженностью до 35–50 км и углами падения крыльев 50–85° сочетаются с участками более спокойных дислокаций. Сторонники чешуйчатого строения мелового комплекса (Натальин, Черныш, 1992) также отмечают более спокойный характер залегания пород внутри пластин. Многие исследователи пишут о готеривском структурном несогласии и резком отличии в характере дислокаций доготеривских и послеготеривских толщ (Геологическое строение..., 1984), однако Б.А. Натальин, изучавший дислокационную структуру нижнемеловых образований в пределах СОБ, этих отличий не фиксирует. Возможно, это объясняется тем, что он вел исследования вдоль р. Амур в наиболее погруженной части мелового палеобассейна, где эти различия не выразились ни в смене характера осадков, ни структурно.

Кайнозойские континентальные осадки обычно залегают полого (0–10°), но у бортов грабенов углы падения палеогеновых толщ достигают 30–40°, а датских отложений свиты кандахэ (у разломов) – 90°. В целом в регионе на границе мела и палеогена формировалось сводовое поднятие, выразившееся в современном гравитационном поле отчетливым минимумом. Однако зонам компенсационных погружений, одной из которых является СОБ, соответствуют максимумы поля силы тяжести. Седиментация в большинстве грабенов возобновилась лишь в эоцене, но в зоне Центрального Сихотэ-Алинского разлома, в пределах Тормасинского и более мелких грабенов известны дат-палеоценовые отложения свиты кандахэ, надежно доказанные палеоботанически. Эта свита мощностью 200–1250 м сложена конгломератами, туфоконгломератами, туфами андезитов, песчаниками, аргиллитами с пластами угля. Ниже залегают вулканиты (андезиты, липариты). Все это свидетельствует или об одной из фаз рифтогенеза, или об активизации сдвиговых дислокаций, когда вдоль сдвигов формируются цепочки чечевицеобразных бассейнов (pull-apart). В Северо-Восточном Китае пятый эпизод Яньшаньской орогении имел место как раз на границе мела и палеогена. Не исключено, что отложения, подобные свите кандахэ, могут быть встречены и в грабенах СОБ.

Следующий этап растяжения зафиксирован уже и в пределах СОБ. Это кузнецовская свита, сложенная андезибазальтами, базальтами, андезитами и их туфами мощностью 300–100 м. В подстилающих их вулканитах K-Ar методом определен возраст 45 млн лет. Синхронно с кузнецовской свитой накапливались отложения нижней подсвиты чернореченской свиты. При интерпретации сейсмических профилей и анализе регионального расположения грабенов была замечена эшелонированность, обусловленная правосдвиговыми смещениями (Натальин, Черныш, 1992). Временные соотношения с левосдвиговыми перемещениями не были установлены, и вопрос о роли и времени правосдвиговых перемещений остался открытым. В связи с этим следует обратить внимание на близлежащие регионы, где эта проблема изучена лучше. В частности, китайские исследователи, анализировавшие сейсмостратиграфические профили в грабене Танюань, расположенном на правобережье Амура на простирании Лобэй-Бирофельдского грабена, пришли к выводу о превалирующей роли правых сдвигов при формировании этой структуры (Wang et al., 1995). В хорошо изученном бассейне Бохайвань установлено, что в палеоцене и эоцене в результате подъема мантийного диапира имел место рифтогенез, приведший к образованию серии листрических сбросов северо-восточного простирания, а затем в олигоцене активизировались правосдвиговые перемещения, продолжавшиеся до неогена, а кое-где и дольше. Правосдвиговыми движениями в конце олигоцена–начале миоцена с последующим спредингом объясняют и начало раскрытия Японского моря.

На неоген-четвертичном этапе после небольшого перерыва в седиментации продолжалось погружение СОБ. Отложения этого этапа имеют наибольшее площадное распространение при мощности от 250 до 830 м. В раннем–среднем миоцене накапливались преимущественно мелкообломочные, сравнительно хорошо отсортированные песчано-глинистые осадки со значительной примесью туфогенного материала, иногда угленосные. Осадконакопление сопровождалось извержением базальтов, андезибазальтов кизинской свиты не только по краям СОБ, но и во внутренних частях. Эти извержения связываются с очередной фазой рифтогенеза (Геологическое строение…, 1984). В середине миоцена отмечаются некоторая активизация тектонических движений, перестройка рельефа, обусловившие накопление грубообломочных фаций (головинская свита).

Резкая активизация тектонических движений приходится на плиоцен, когда начались новейшие сводово-глыбовые движения, в ходе которых сформировался современный рельеф. Рельеф был довольно расчлененным, о чем свидетельствует обилие грубообломочного материала (приамурская свита). В конце плиоцена начались трещинные излияния базальтовых лав (совгаванская свита), продолжавшиеся и в четвертичное время. Базальты заполняли пониженные участки рельефа, в том числе древние речные долины, вызывая перестройку гидросети.

Излияния неоген-четвертичных базальтов приурочены преимущественно к разломам северо-восточного простирания (система Тан-Лу), протягивающимся в Россию из Китая.

Геофизическими исследованиями в фундаменте СОБ и донеогеновом чехле установлено несколько главных систем разломов, наиболее детально изученных в Переяславском грабене и прилегающих поднятиях (Ярославцева и др., 1989; Натальин, Черныш, 1992). Наиболее ярко выражены разломы системы 30° – Куканская система (по: Геологическая карта…, 1991), – являющиеся продолжением разломов системы Тан-Лу. Они и обусловили формирование главной первоначальной структуры «бассейнов и хребтов», которая последующими разломами в той или иной мере трансформировалась. Характер движений по северо-восточной системе разломов неоднократно менялся. Суммарная амплитуда вертикальных смещений достигала 3,5 км и, возможно, более. В эпохи сдвиговых дислокаций амплитуда смещений, возможно, достигала десятков километров. Выраженность этой системы разломов в физических полях описана в отчетах и статьях (Ярославцева и др., 1989; Натальин, Черныш, 1992).

Северо-восточные разломы системы 60° – Курская система (по: Геологическая карта..., 1991) – также контролируют размещение таких крупных погружений, как Ситинское, Хорское, Оборское. Юго-восточная граница Переяславского грабена проходит по одному из разломов этой системы, который является, вероятно, сбросо-сдвигом. В отдельных местах установлено, что разломы Курской системы секут разломы Куканской системы, т. е. являются более поздними.

Разломы северо-западного простирания секут обе вышеназванные системы. Представляется, что они играли существенную роль в формировании локальных антиклинальных ловушек (Ярославцева и др., 1989).

Разломы ортогональной системы также активизировались в кайнозое. Иногда удается определить широтные разломы как сбросо-сдвиги с правосторонней сдвиговой компонентой (Ярославцева и др., 1989). Долготные разломы Лимурчанской системы обычно рассматриваются как элементы кайнозойской рифтовой системы. Однако Н.И. Ярославцева с соавторами (1989) предполагают, что часть из них являются сбросо-сдвигами с левосторонней сдвиговой компонентой.

Резюмируя вышеизложенное, можно сказать, что для СОБ был характерен весьма активный тектонический режим с частой сменой полей напряжений, что позволяет отнести его к составному или гибридному полицикличному сдвиго-раздвиговому типу, формировавшемуся над мантийным диапиром. На ранних этапах (с готерива) он развивался, по-видимому, над Амурской сутурой как постколлизионный присдвиговый бассейн, заложившийся перед фронтом перемещавшихся в северо-западном направлении масс. С апта, когда начал формироваться Западно-Сихотэ-Алинский вулканический пояс, его можно рассматривать как задуговой бассейн. С позднего мела преобладали процессы растяжения (рифтогенез) со значительной сдвиговой компонентой. В течение кайнозоя процесс растяжения дважды сменялся процессом скольжения, по-видимому, по правым сдвигам. Наиболее близкими аналогами СОБ являются бассейны Саньцзян (включая грабен Танюань), Бохайвань в КНР, а также Калифорнийский бассейн США.


--Boris 16:20, 23 мая 2016 (VLAT) Г.Л. Кириллова, Е.П. Развозжаева, С.А. Медведева

Монография "Геодинамика, магматизм и металлогения Востока России"


Дополнительные данные из архива публикаций по наукам о земле
Статья Смотрите также
Среднеамурский осадочный бассейн СЕДИМЕНТОГЕННЫЙ АСПЕКТ ЭВОЛЮЦИИ КАЙНОЗОЙСКИХ СТРУКТУР ЮГО-ЗАПАДНОЙ ЧАСТИ СРЕДНЕАМУРСКОГО ОСАДОЧНОГО БАССЕЙНА И ПЕРСПЕКТИВ ИХ НЕФТЕГАЗОНОСНОСТИ (ДАЛЬНИЙ ВОСТОК)
Среднеамурский осадочный бассейн АНАЛИЗ ФАЦИЙ В КАЙНОЗОЙСКИХ ГРАБЕНАХ СРЕДНЕАМУРСКОГО ОСАДОЧНОГО БАССЕЙНА МЕТОДАМИ СЕЙСМОИ ЭЛЕКТРОРАЗВЕДКИ
Среднеамурский осадочный бассейн ГАЗОГЕОХИМИЧЕСКАЯ ОЦЕНКА ПЕРСПЕКТИВ НЕФТЕГАЗОНОСНОСТИ БИРОФЕЛЬДСКОГО ГРАБЕНА СРЕДНЕАМУРСКОГО ОСАДОЧНОГО БАССЕЙНА (ДАЛЬНИЙ ВОСТОК РОССИИ)
Среднеамурский осадочный бассейн ОРГАНИЧЕСКОЕ ВЕЩЕСТВО ЖИДКОЙ ФАЗЫ ТОРФА И ЕГО ГИДРОЛИЗАТОВ ИЗ МЕСТОРОЖДЕНИЙ СРЕДНЕАМУРСКОГО БАССЕЙНА
Среднеамурский осадочный бассейн ГЕОЭЛЕКТРИЧЕСКИЙ РАЗРЕЗ ЛИТОСФЕРЫ ЦЕНТРАЛЬНОЙ ЧАСТИ СРЕДНЕАМУРСКОГО ОСАДОЧНОГО БАССЕЙНА ПО ДАННЫМ МАГНИТОТЕЛЛУРИЧЕСКИХ ЗОНДИРОВАНИЙ (ДАЛЬНИЙ ВОСТОК)
Среднеамурский осадочный бассейн ГЕОЭЛЕКТРИЧЕСКИЕ РАЗРЕЗЫ СЕВЕРО-ЗАПАДНОГО БОРТА СРЕДНЕАМУРСКОГО ОСАДОЧНОГО БАССЕЙНА (ДАЛЬНИЙ ВОСТОК) ПО ДАННЫМ МАГНИТОТЕЛЛУРИЧЕСКИХ ЗОНДИРОВАНИЙ